中心議題:
- 同步整流基礎知識
- 優化同步整流MOSFET
解決方案:
- 確定優化MOSFET的負載電流
- 借助四象限SR器件優化表選擇MOSFET
1. 引言
電源轉換器的封裝密度日益提高和節能標準越來越嚴格,要求不斷提高電源級的能效。隔離式電源轉換器的次級整流產生的嚴重的二極管正向損耗是主要的損耗,因此,只有利用同步整流(SR)才可能達到這些標準要求的能效水平。用MOSFET替代二極管引發了新的挑戰——優化系統能效和控制電壓過沖。本應用筆記介紹了通過利用英飛凌OptiMOS™3解決方案的優化表(適用于30 V、40 V、60 V、75 V、80 V、100 V、120 V和150 V等應用)幫助選擇最佳MOSFET的方法。

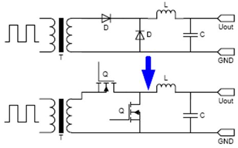
圖1. 二極管整流與同步整流之比較
2. 同步整流基礎知識
要選擇最優的MOSFET來實現同步整流,必須充分理解MOSFET的功耗產生機制。首先,必須區分開隨負載而變化的導通損耗與基本保持不變的開關損耗。導通損耗取決于MOSFET的RDS(on)和內部體二極管的正向電壓VSD。隨著輸出電流的提高,導通損耗(RDS(on)損耗)也會相應地增加。為確保兩個SR MOSFET之間互鎖,以避免出現直通電流,必須實現一定的死區時間。因此,在開啟一次側之前,必須關斷相應的MOSFET。由于該MOSFET正在導通全部續流電流,因此,這些電流將不得不從MOSFET溝道轉而流向內部的體二極管,并由此產生額外的體二極管損耗。體二極管的導通時間很短,僅為50 ns至100 ns左右,因而,當輸出電壓比體二極管的正向電壓高得多時,這些損耗可以忽略不計。
取決于電源轉換器的開關頻率和輸出負載,開關損耗對MOSFET的總功耗有很大影響。MOSFET開啟時,必須對柵極進行充電,以產生柵極電荷Qg。MOSFET關斷時,則必須將柵極中的電荷放電至源極,這就意味著Qg將消散在柵極電阻和柵極驅動器中。對于特定MOSFET技術,柵極驅動損耗會隨著RDS(on)的降低而增加,因為硅片越大Qg就越多。
在總開關損耗中占很大比例的另一種損耗與MOSFET的輸出電容Coss和反向恢復電荷Qrr有關。MOSFET關斷時,必須將Qrr移走,并且必須將輸出電容充電至次級變壓器電壓。這個過程會導致反向電流峰值,該電流將耦合到交換環路的電感中。所以,這些電量將被轉移至MOSFET的輸出電容,加上之前存儲的電量,將由此產生電壓尖峰。這些電量將觸發LC振蕩電路。LC振蕩電路的性能取決于印刷電路板的感應系數和MOSFET的輸出電容Coss。LC電路的寄生串聯電阻將減弱振蕩。由于這種在關斷過程中產生的感應電量直接取決于MOSFET Coss(相應地,當輸出電容被充電至次級變壓器電壓時,則為輸出電荷Qoss),因此,總Coss決定了容性關斷損耗。對于柵極電荷也是如此,Qoss會隨著RDS(on)的降低而增加。因此,總是能找到可以實現最高效率的導通損耗與開關損耗之間的平衡點。
大致上,對于OptiMOS™3產品而言,Qrr可以忽略不計,因為其對總功耗的影響微乎其微。在這種情況下,Qrr僅被視為MOSFET體二極管的反向恢復電荷,而數據手冊中的Qrr則是按照JEDEC標準測得的,因此,除體二極管Qrr之外,還包含MOSFET的部分輸出電荷。此外,其他因素也會導致應用中的實際Qrr值低于數據手冊所提供的Qrr值。數據手冊中的值是在對體二極管施以允許的最高MOSFET漏極電流、體二極管導通時間長達500 μs并且di/dt值固定為100A/μs的條件下測得的。在實際應用中,通常電流僅為最高漏極電流的三分之一左右甚至更低,體二極管導通時間在20ns至100ns范圍內,并且di/dt可能高達800A/μs。
[page]
3. 優化同步整流MOSFET
要優化SR MOSFET的效率,必須找到開關損耗與導通損耗之間的最佳平衡點。在輕負載條件下,RDS(on)導通損耗占總功耗的比例極低。在這種情況下,在整個負載范圍內基本保持不變的開關損耗是主要損耗。但是,當輸出電流較高時,導通損耗則成為最主要的損耗,其占總功耗的比例也最高,請參見圖2。

圖2. 功耗構成與輸出電流的關系
在選擇最適當的MOSFET時,必須特別注意RDS(on) 的取值范圍,如圖3所示。當RDS(on)超出最優值時,總功耗將隨RDS(on)的提高而線性增加。但當RDS(on) 降至低于最優值時,總功耗也會因輸出電容的快速增加而急劇上升。此外,在圖3中可以看出,可實現最低功耗的RDS(on)值范圍相當寬。在本例中,當RDS(on)在1毫歐姆至3毫歐姆范圍內時,總功耗始終大致相同。但是,在此范圍之外,RDS(on)僅下降0.5毫歐姆,便會令總功耗提高一倍,從而嚴重降低電源轉換器的效率。

圖3. 功耗與RDS(on)值的關系
對于優化SR,另一個重要的問題是正確選擇MOSFET封裝。只要將TO-220封裝替換為SuperSO8封裝即可實現效率提升。這是因為,SuperSO8封裝的電阻占總RDS(on)的比例更低。在降低RDS(on)的同時,保持輸出電容不變,能夠降低FOMQoss。FOMQoss是特定MOSFET解決方案的性能指標(FOMQoss= RDS(on) * Qoss)。因此,降低FOMQoss可以降低開關損耗,從而提高系統能效。
[page]
4. 應當按何種負載電流優化MOSFET?
要在整個負載范圍內實現均衡的效率,必須借助四象限SR器件優化表對MOSFET電流做出合理的選擇。采用滿負載優化,可以在輸出電流較高時實現良好的效率。但是,當負載較低時,這種方法會大大降低效率,并且所需并聯MOSFET的數量將多得不能接受。因此,必須找到最優MOSFET電流,以在整個輸出電流范圍內實現相對恒定的效率值。
為闡明這個問題,圖4顯示了不同優化方法得到的效率。圖中所示效率曲線為,當變壓器電壓為40V、柵極驅動電壓為10V、開關頻率為100kHz時計算得到的12V同步整流級的效率。在75V優化表中選擇 IPP034NE7N3,按10 A MOSFET電流進行設計,所得到的優化方案僅需一個MOSFET。如圖4所示,這種優化方案能夠在低電流時實現很高的效率,而在高電流時效率卻極低。按50 A進行優化設計,所得到的最佳方案則需要5個MOSFET。采用這種優化方案,低電流時的效率將低得不能接受,但在滿負載時可以達到最高效率。因此,對該設置而言,最佳優化方案是采用兩個并聯的MOSFET,從而獲得整體均衡的效率。
通常,按最高輸出功率的20%至30%對MOSFET進行優化,可以獲得均衡的總體效率。對于強調輕負載效率的系統,可以按最高電流的10%至20%的低電流進行優化;而對于高負載設計,則適于按最高電流的60%進行優化。應當避免按100%輸出負載進行優化,因為這會嚴重降低系統的低負載效率,并大大增加所需并聯的MOSFET數量。

圖4. 不同優化方法實現的效率不盡相同
5. 借助四象限SR器件優化表選擇MOSFET
為了幫助開發人員更輕松地為SR應用選擇最優MOSFET,下面介紹一個四象限SR器件優化表。借助這個優化表,可以根據三個應用參數找到最適合的器件:次級變壓器電壓、開關頻率和RMS MOSFET電流。為便于理解,圖5給出了一個實際的例子。

圖5. 四象限SR器件優化表
使用優化表時,首先從次級變壓器電壓開始。在所用電壓值位置,畫一條垂直的直線。在兩條線相交處可以選出特定的MOSFET。通過一條水平的直線和一條垂直的直線,便可選擇開關頻率和MOSFET電流。如前面所討論,按最好從滿負載的20%至30%的電流值開始進行選擇。此時,可以在正Y軸上讀取最優RDS(on)值。在第四個象限中,顯示了并聯MOSFET的最佳數量。在第四個象限中,必須選擇之前在第一個象限中選定的MOSFET型號。然后,按同樣的參數(變壓器電壓、開關頻率和電流RMS)對另一個型號的MOSFET重復執行這個選擇過程。比較兩次選擇所得到的最優RDS(on)值,最優RDS(on)值越低的MOSFET所產生的功耗也越低,因而是更加高效的解決方案。
這個MOSFET選擇方法,是在假定應用具備最優開關性能的條件下計算得到的。如果發生了諸如動態開啟或雪崩等二階效應,那么這個優化表可能不準確。此外,硬開關轉換器拓撲可實現最佳結果。任何諧振軟開關拓撲均可能導致失配,因為可以回收利用開關過程產生的部分電量。在這種情況下,實際最優RDS(on) 值將低于計算得到的值。請注意,一次側采用準諧振拓撲(例如相移ZVS全橋)也可使二次側的同步整流實現硬開關性能,從而也可以利用這種設計優化表來進行優化。
從這種優化表得到的所有結果,均以理想的MOSFET性能為前提。根據經驗,實際應用的結果與按理想狀況計算得到的結果有所不同。因此,利用這種優化表得到的結果應作為最優器件選擇的參考,以防止MOSFET性能不足或過高。如果利用這種優化表得到的結果是在兩個不同的并聯MOSFET數量之間,那么,數量較低的方案是適于低負載的優化方案,而數量較高的方案則是更適于高功率的優化方案。此外,任何與同步整流級并聯的緩沖網絡均會影響器件的選擇,因此,在設計時也必須予以考慮。
要在整個負載范圍內實現總體優化,僅一次計算是不夠的。除按特定負載值(電流值)計算最優MOSFET之外,還需要按不同負載電流在這個四象限優化表上進行多次計算,以擴大優化范圍。同時,還要根據實際應用要求,調整所得結果。


