- 多路開關系統設計
- 系統工作原理
- 控制單元采用C8051F920 單片機
- 系統硬件的電路設計
- 無線電發射系統是以Si4010 為核心來設計
相對于有線遙控,無線遙控不受距離的影響,完全消除了拖纜式遙控裝置所帶來的故障隱患,給人們的日常工作和生活帶來了更多的便利。隨著數字處理技術的快速發展,無線數字通信技術日趨成熟,其抗干擾能力強和易于對數字信號進行各種處理等優點,使得無線遙控系統的抗干擾性能逐步提高,安全性能大大改善。目前的無線遙控領域主要有超聲波遙控、紅外線遙控及無線電遙控。相對于超聲波遙控和紅外線遙控,無線電遙控是利用無線電信號在空氣中傳播,根據無線電波的頻率來遙控,可穿透一定的障礙物,傳播距離較遠,因此成為無線遙控領域的首選,在國防、軍事、科研和日常工作生活領域應用越來越廣。
采用Silicon Laboratories 研制的無線發射芯片Si4010、無線接收芯片Si4313和C8051F920 單片機設計并制作的頻率為433.92 MHz 的無線電遙控多路開關系統,結構簡單,性能穩定,控制方便,適用于含有較多受控電器的場合,并可實現多路多功能控制。
1 系統工作原理
無線電遙控多路開關系統由無線電發射電路和無線電接收控制電路兩大部分組成。系統組成框圖如圖1 所示。

圖1 系統組成框圖
開關系統工作原理是首先通過按鍵電路輸入所需控制開關電路的位號,同時啟動指令編碼電路,指令編碼電路在內部電路的控制下產生帶有地址編碼信息和開關狀態信息的編碼脈沖信號,該脈沖信號對載波信號進行調制,調制后載波信號經放大和調諧由射頻發射電路發射出去。無線電接收電路接收到載波調制信號后,由解調解碼電路對載波調制信號進行解調得到編碼脈沖信號,再進行編碼地址確認,確認是否為本遙控開關系統地址。如果所接收到的信號地址碼與本機地址編碼相同,則對編碼脈沖信號進行譯碼并輸出數據,由單片機電路控制相應的開關電路動作。否則,不進行譯碼,單片機控制電路不響應,開關電路無任何動作。
2 硬件介紹
2.1 Si4010 簡介
Silicon Laboratories 的Si4010 射頻發射器為單芯片遙控IC,僅需一個外部旁路電容、一塊印制電路板、電池和一個帶按鍵的外殼便能構成完整的無線電遙控器。采用專利高可靠性的無晶體振蕩器架構,無需外部時鐘源,也不受沖擊和震動影響。其載波頻率精確度在商業溫度范圍內為±150 ppm,在工業溫度范圍內則可達±250 ppm,它的精確度比傳統的(SAW)發射器高出兩倍,且無需使用外部晶體振蕩器。具備自動天線調諧,該功能可最大化發射距離,提供穩定的輸出功率,有效減少對遙控器的不利影響。包含一個嵌入式兼容8051 微控制器,內具1 個4 kB 的RAM、1 個8 kB 的一次性編程(OTP)非易失性內存、1 個128 位EEPROM 以及用于函數庫(library)功能的12 kB ROM,該微控制器上的數字外圍功能包括觸控喚醒GPIO、1 個專利技術的可提供100 萬次讀寫壽命的20 位EEPROM、1 個LED 驅動器、1 個休眠定時器、1 個調試器, 以及1 個可提供安全單向鏈路的高速128位高級加密標準(AES)加速器。Si4010 的工作電壓范圍為1.8~3.6 V,可提供超低的電流消耗(小于10nA 的待機電流和小于20 mA 的峰值電流)以及低功耗觸控喚醒模式。支持FSK、OOK 調制模式,支持PCB 環形天線, 工作頻帶為27~960 MHz,芯片內部還包含LDO、溫度傳感器及低電壓檢測報警等。
2.2 Si4313 簡介
Silicon Laboratories 的Si4313 芯片是單端通用ISM 頻段接收器, 工作頻率為240~960 MHz,可編程接收頻率帶寬為2.6~260 kHz, 接收靈敏度為-118 dBm, 數據速率為0.2~128 kb/s,采用FSK、GFSK 和OOK 調制方案,支持調頻、單電容調諧網絡,支持PCB 環形天線,工作電源電壓為1.8~3.6 V,具備超低功耗、高靈活低關機模式。內部功能包括:喚醒計時器、自動頻率校準、前端碼偵測、無線電信號強度檢測、集成電壓調節器、片內振蕩器、64 kB FIFO 等。
[page]
3 系統硬件電路設計
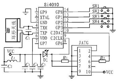
3.1 無線電發射系統
無線電發射系統主要由按鍵電路、編碼調制電路、無線電發射電路組成。無線電發射系統的電路原理圖如圖2 所示。

圖2 發射系統電路原理圖
無線電發射系統是以Si4010 為核心來設計。Si4010 的4 個輸入輸出端口與按鍵直接相連,內部電路可直接采集按鍵狀態信息。Si4010 的信號差分輸出端TXM、TXP 分別與環形天線的兩端連接,環形天線直接印制在PCB 板上,減少了發射系統體積。采用C2 接口編程,Si4010 的C2DATA、C2CLK 端口與JTAG 接口的4 個端口相連。C3、C4、C5組成電源濾波電路。發光二極管提供按鍵動作指示,當有按鍵按下時,放光二極管亮,沒有按鍵按下,放光二極管滅。無線電發射系統的主要功能是在Si4010 內部MCU的控制下采集按鍵電路的狀態信息, 實現數據加密和編碼,再進行FSK 調制,調制后信號經放大調諧,由環形天線發射出去。
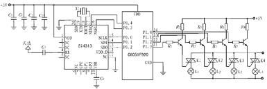
3.2 無線電接收系統
無線電接收系統主要由無線電接收電路、解調解碼、單片機控制電路及開關電路組成。無線電接收系統電路原理如圖3 所示。

圖3 接收系統電路原理圖
接收解調電路采用與射頻發射模塊相配套的無線接收芯片Si4313 來實現??刂茊卧捎肅8051F920 單片機。
Si4313 的RX 端口經電容C1與天線相連, 接收遙控調制載波信號。Si4313 與單片機之間的通信是通過SPI 總線實現,SPI 總線讀寫操作由以下幾部分組成:讀寫標志(1 bit),地址(7 bits)和數據(8 bits)。讀寫標志位指示當前操作是讀還是寫;7 位地址指示操作對象, 可尋址128 個8 位控制寄存器中的任意一個; 數據域包含寫入或讀出的Si4313 內部寄存器的內容。Si4313 的SCLK、SDI、SDO、nSEL、nIRQ 端口分別與單片機的P0.0~P0.4 端口相連。SCLK 為時鐘接口;SDI為串行數據寫入端口, 由單片機對Si4313 進行數據寫入;SDO 為串行數據輸出端口,解調后數字信號由此端口輸出至單片機。單片機P1.0~P1.3 為控制端口,與開關電路相連。
無線電接收系統的主要功能是接收遙控載波調制信號,經解調解碼電路對調制信號解調和解碼,串行輸出至單片機,由單片機進行數據處理,再通過控制端口控制開關電路相應的開關動作。
4 系統軟件介紹
軟件編程采用模塊化設計思想,系統中各主要功能模塊均編成獨立的應用函數由主程序調用。
[page]
4.1 發射系統軟件
無線電發射系統的軟件設計主要通過C2 接口編程實現Si4010 內部集成的8051MCU 對無線發射電路的狀態進行控制。包括芯片初始化程序,鍵盤掃描及讀取程序,射頻參數設置程序,無線發射程序等。發射系統軟件流程如圖4 所示。

圖4 發射系統軟件流程圖
4.2 接收系統軟件
無線電接收控制系統的軟件基于C8051F920 單片機設計,通過C2 編程實現單片機對開關電路的狀態控制。單片機采樣到有效中斷請求信號,便執行中斷服務子程序,在中斷服務子程序中, 單片機將根據I/O 端口獲得的數據執行相應的子程序,從而實現對開關電路的控制。接收系統軟件流程如圖5 所示。

圖5 接收系統軟件流程圖
5 結束語
本文采用低價位、超低功耗單芯片無線遙控IC 及單片機設計可編程無線電遙控多路開關系統,具有成本低、體積小、功耗低、抗干擾能力強、遙控距離遠、可靠性高等特點。經在實驗室軟、硬件綜合測試,接收解調電路對發射電路遙控信號接收解調正常,開關電路動作到位,無線電遙控開關系統的多路多功能控制正常。可進一步推廣應用,在工業生產、安防監控、智能家居等領域應用前景廣闊。




