中心議題:
- ZETA 轉換器的基本工作原理
 - ZETA 轉換器的設計舉例
 - ZETA 轉換器的環路設計
 
解決方案:
- 選擇無源組件
 - ZETA 轉換器設計方案
 
引言
同 SEPIC DC/DC 轉換器拓撲結構類似,ZETA 轉換器拓撲通過一個在輸出電壓上下范圍變化的輸入電壓提供正輸出電壓。ZETA 轉換器也需要兩個電感和一個串聯電容器(有時稱飛跨電容)。SEPIC 轉換器使用一個標準升壓轉換器進行配置,ZETA 轉換器則不同,它通過一個驅動高端 PMOS FET 的降壓轉換器進行配置。ZETA 轉換器是對不穩定輸入電源進行調節的另一種方法,它就像一個低成本墻式電源。我們可以使用一個耦合電感來最小化電路板空間。本文將介紹如何設計一個運行在連續導電模式 (CCM) 下帶耦合電感的 ZETA 轉換器。
基本工作原理
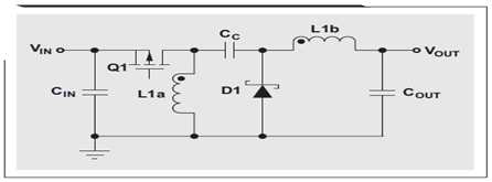
圖 1 顯示了 ZETA 轉換器的簡單電路圖,其由一個輸入電容 CIN、一個輸出電容 COUT、耦合電感 L1a 和 L1b、一個 AC 耦合電容 CC、一個功率 PMOS FET 即 Q1,以及一個二極管 D1 組成。圖 2 顯示了 Q1 為開啟狀態和 Q1 為關閉狀態時,在 CCM 下運行的轉換器。
 

圖 1 ZETA 轉換器的簡單電路圖
若想要知道各個電路節點的電壓,在兩個開關都為關閉狀態且無開關操作時對 DC 條件下的電路進行分析很重要。電容 CC 與 COUT 并聯,因此在穩態 CCM 期間 CC 被充電至輸出電壓 VOUT。圖 2 顯示了 CCM 運行期間 L1a 和 L1b 的電壓。
 

圖 2 CCM 運行期間的 ZETA 轉換器
 
Q1 關閉時,L1b 的電壓必須為 VOUT,因為其與 COUT 并聯。由于 COUT 被充電至 VOUT,因此 Q1 關閉時 Q1 的電壓為 VIN + VOUT;這樣一來, L1a 的電壓便為相對于 Q1 漏極的 –VOUT。Q1 開啟時,充電至 VOUT 的電容 CC 與 L1b 串聯;因此 L1b 的電壓為 +VIN,而二極管 D1 的電壓則為 VIN + VOUT。
圖 3 顯示了通過各種電路組件的電流。Q1 開啟時,輸入電源的能量被存儲在L1a、L1b 和 CC 中。L1b 還提供 IOUT。Q1 關閉時,CC 持續為 L1a 提供電流,而 L1b 再次提供 IOUT。
 

圖 3 CCM 期間 ZETA 轉換器的分量電流
[page]
占空比
假設 100% 效率占空比 D,用于 CCM 運行的 ZETA 轉換器,其為:
 
它還可以被重寫為:

Dmax 出現在 VIN(min),而 Dmin 出現在 VIN(max)。
選擇無源組件
設計任何 PWM 開關調節器的首要步驟之一便是決定允許多少電感紋波電流 ΔIL(PP)。過多會增加 EMI,而過少又會導致不穩定的 PWM 運行。一般原則是給 K 分配一個介于 0.2 和 0.4 平均輸入電流之間的值。理想紋波電流的計算如下:

在理想緊密型耦合電感中,每個電感的單芯上都有相同的繞組數,這時耦合迫使紋波電流在兩個耦合電感之間等分。在現實耦合電感中,電感并沒有相等的電感,并且紋波電流也不會完全相等。無論如何,在理想紋波電流值的情況下,如果存在兩個單獨的電感,則我們將耦合電感中要求的電感估算為實際需要的一半,如方程式 4 所示:

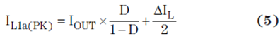
為了能夠承受負載瞬態,在高端電感中,耦合電感的飽和電流額定值需至少為穩態峰值電流的 1.2 倍,其計算方法如方程式 5 所示:
 
請注意,IL1b(PK) = IOUT +ΔIL/2,其小于 IL1a(PK)。
與降壓轉換器一樣,ZETA 轉換器的輸出有非常低的紋波。方程式 6 計算了完全由電容值引起的輸出紋波電壓部分:

其中 fSW(min) 為最小開關頻率。方程式 7 計算了完全由輸出電容 ESR 引起的輸出紋波電壓部分:
![]()
請注意,這兩個紋波電壓部分均被相移,且不直接相加。就低 ESR(例如:陶瓷電容)電容而言,可以忽略 ESR 部分電壓。要想滿足應用的負載瞬態要求,最小電容限制是必需的。
輸出電容必須有一個大于電容 RMS 電流的 RMS 電流額定值,其計算方法如方程式 8:

輸入電容和耦合電容吸取和下拉的電流電平相同,但開關周期相反。與降壓轉換器類似,輸入電容和耦合電容都需要 RMS 電流額定值,

方程式 10a 和 10b 計算了完全由各自電容器電容值引起的輸出紋波電壓部分:

方程式 11a 和 11b 計算了完全由各自電容器 ESR 值引起的輸出紋波電壓部分:

此外,兩個紋波電壓組成部分均被相移,且不直接相加;同時,就低 ESR 電容器而言,ESR 電壓部分再次可以被忽略。典型的紋波值小于輸入電容輸入電壓的 0.05 倍,也小于耦合電容輸出電壓的 0.02 倍。
[page]
選擇有源組件
我們必須謹慎選擇功率 MOSFET,以便它可以處理峰值電壓和電流,同時最小化功耗。功率FET的電流額定值可以決定ZETA轉換器的最大輸出電流。
如圖 3 所示,Q1 承受了 VIN(max) + VOUT 的最大電壓。Q1 的峰值電流額定值必須為
![]()
在相關環境溫度下,FET 功耗額定值必須大于傳導損耗(FET rDS(on) 的函數)和開關損耗(FET 柵極電荷的函數)的和,計算方法如方程式 13 所示:

其中,QGD 為柵極到漏極電荷,QG 為 FET 的總柵極電荷,IGate 為最大驅動電流,而 VGate 為控制器的最大柵極驅動。Q1 的 RMS 電流為:
 
輸出二極管必須要能夠處理與Q1相同的峰值電流,即IQ1(PK)。該二極管還必須能夠承受大于 Q1 最大電壓(VIN(max) + VOUT)的反向電壓,以處理瞬態和振鈴問題。由于平均二極管電流為輸出電流,因此二極管的封封裝必須要能夠驅散高達 IOUT×VFWD 的功率,其中 VFWD 為肖特基二極管 IOUT 的正向電壓。
環路設計
ZETA 轉換器是一種具有多個實復極頻和零頻的四階轉換器。與 SEPIC 轉換器不同,ZETA 轉換器沒有右半面零點,并且更容易獲得補償,以使用更小的輸出電容值達到更大環路帶寬和更好負載瞬態結果。參考文獻 1 提供一個基于狀態空間平均法的較好數學模型。該模型將電感 DC 電阻 (DCR) 排除在外,但卻包括了電容 ESR。盡管參考文獻 1 中的轉換器使用陶瓷電容,但就后面的設計舉例而言,電感 DCR 代替了電容 ESR,這樣模型便可以更加緊密地匹配測得值。開環路增益帶寬(即利用一個可接收的典型 45º 相位余量讓增益穿過零頻的頻率),應該大于 L1b 和 CC 的諧振頻率,這樣反饋環路便可以在該諧振頻率下利用基頻阻尼輸出端出現的非正弦紋波。
設計舉例
就本例而言,諸多要求都是針對一個 η= 0.9 峰值效率的 12-V、1-W 電源。負載為穩態,因此幾乎看不到負載瞬態。2-A 輸入電源為 9 到 15V。我們選擇了異步電壓模式控制器即 TI TPS40200,其工作在 340 和 460kHz 之間的開關頻率下。輸入端和快速電容器的最大允許紋波分別為彼此交叉最大電壓的 1%。最大輸出紋波為 25 mV,而最大環境溫度為 55ºC。由于 EMI 并不是問題,通過使用最小輸入電壓,我們選擇了具有更低電感值的電感。下一頁的表 1 概括了前面介紹的一些設計計算方法。我們忽略了方程式 7 到 9 以及方程式 11,因為使用了高 RMS 電流額定值的低 ESR 陶瓷電容。
 
表 1 舉例ZETA轉換器設計計算

 
圖 4 顯示的是示意圖,而圖 5 則顯示了 ZETA 轉換器的效率。在下一頁,圖6 顯示了轉換器在深度 CCM 下的運行情況,而圖 7 則顯示了環路響應。
 

圖 4    1A 電流時 9V 到 15V VIN 和 12-V VOUT 的 ZETA 轉換器設計[page]

圖 5 舉例 ZETA 轉換器設計的效率
 
圖 6 VIN=9V 且IOUT=1A 時的運行情況
 
圖 7 VIN=9V 和 15V 且 IOUT=1A 時的環路響應
結論
像 SEPIC 轉換器一樣,ZETA轉換器是另一種轉換器拓撲結構,其通過一個在輸出電壓上下范圍變化的輸入電壓來提供穩定的輸出電壓。相比SEPIC轉換器,ZETA 轉換器的好處包括更低的輸出電壓紋波,以及更簡單的補償。缺點是要求更高的輸入電壓紋波、更大容量的飛跨電容以及一個能夠驅動高端 PMOS 的降壓轉換器(例如:TPS40200 等)。



