【導讀】本文討論了有關為這些大電容充電的挑戰,并向電源系統設計工程師介紹了如何評估和選擇適合后備能量存儲應用的最佳系統配置。文中介紹了一種超級電容充電器解決方案范例,并提供了波形和詳細解釋。
超級電容(Supercapacitor [SC] 或ultracapacitor)亦稱雙電層電容(electric double-layer capacitor),目前越來越廣泛地用于各種電源管理系統。在汽車應用(如具有再生制動功能的起停系統)中,超級電容能夠提供使起動器嚙合所需的能量,以重啟燃燒發動機,并接收在制動期間回收的動能。超級電容的優勢在于其充放電次數顯著多于傳統鉛酸電池,同時能夠更迅速地吸收能量而不減少其預期壽命。這些特點還使超級電容對工業后備電源系統、快速充電無繩電動工具和遠程傳感器具有吸引力,因為對這些應用來說,頻繁更換電池是不切實際的。
本文討論了有關為這些大電容充電的挑戰,并向電源系統設計工程師介紹了如何評估和選擇適合后備能量存儲應用的最佳系統配置。文中介紹了一種超級電容充電器解決方案范例,并提供了波形和詳細解釋。
系統詳述
許多系統配置都使用超級電容組作為后備能量存儲組件。一開始,設計工程師需要確定其能量存儲配置目標,然后決定可用多大電壓來存儲能量。解決方案選擇取決于負載的功率和電壓要求,以及超級電容的能量和電壓能力。在確定了最佳解決方案后,還必須對整體性能與成本進行平衡。
圖1顯示了一種高效率解決方案的框圖,其中的負載是需要穩定輸入電壓(3.3V、5V、12V等)的器件。48V主電源為正常工作的開關穩壓器2(SW2)供電,同時通過開關穩壓器1(SW1)為超級電容組充電,使其電壓達到25V。當主電源斷開時,超級電容組向SW2供電,以維持負載的連續運行。

圖1.一種使用超級電容組的電池后備系統的框圖
系統設計和挑戰
選定超級電容后,系統工程師還必須選擇為超級電容充電的目標電壓,其根據是超級電容的定額曲線。大多數超級電容單元的額定電壓范圍為室溫下2.5V-3.3V,此額定值在更高溫度時下降,隨之帶來更長的預期壽命。通常,充電目標電壓設置值應低于最大額定電壓,以延長超級電容的工作壽命。
接下來需要選擇超級電容組的預期電壓和SW2拓撲。超級電容組配置可為并聯、串聯或者并聯的串聯電容串組合。因為單元電容電壓額定值通常低于3.3V,且負載常常需要相等或更高的供電電壓,所以針對電容單元配置和SW2的選項是,使用一個電容單元與一個升壓轉換器,或串聯的多個電容單元與一個降壓或降壓-升壓穩壓器。若使用升壓配置,我們必須確保在超級電容放電時,電壓不會下降至低于SW2的最小工作輸入電壓。該電壓下降可能多達超級電容充電電壓的一半之多,為此,我們舉一個由串聯超級電容組合和一個簡單降壓穩壓器(SW1)組成的超級電容組的例子。然后,如果能量要求需要的話,將并聯多個串聯電容串。
如果選擇超級電容的串聯組合,則必須根據電容串頂端的最大預期電壓來選擇所用電容單元的數目。更多的串聯電容意味著超級電容串的電容值更小而電壓更高。例如,假設選擇使用兩串由四個2.7V 10F電容組成的電容串和由八個相同電容(串聯)組成的一個電容串。雖然兩種配置可存儲總電荷和能量是相同的,但電容串的可用電壓范圍使單個串聯串具有優勢。例如,如果有一個需要5V偏壓的負載,則SW2需要的電壓為6V左右(考慮到其最大占空比和其他壓差因素)。
[page]
●電容中的能量W=CV^2/2,可用能量W= C/2(Vcharge^2 - Vdicharge^2)
●對于每串4個電容的兩個電容串,可用能量W = 2*[(10F/4)/2*((2.7V*4)^2-6V^2)] = 201.6J
●對于包含8個電容(串聯)的單個電容串,可用能量W = 1*[(10F/8)/2*((2.7V*8)^2-6V^2)] = 269.1J
因為兩個電容組可存儲相同的總能量,所以電壓較低的電容串的充電浪費/不可用百分比更大。在本例中,優先選擇更高的電容串電壓,以充分利用超級電容。
第三個系統挑戰來自如何為超級電容組充電。一開始,當超級電容電壓為0時,由于高電容值,SW1 需要在類似輸出短路的條件下工作相當長時間。常規 SW1 可能陷于打嗝模式而無法為超級電容充電。為了保護超級電容和 SW1,在充電階段開始時需要附加的電流限制功能。一種令人滿意的解決方案是讓 SW1 在幾乎無輸出電壓的條件下提供加長時間的連續充電電流。
為超級電容充電有許多方法。恒定電流/恒定電壓(CICV)是常用的首選方法,如圖2(CIVE曲線)所示。在充電周期開始時,充電器件(SW1)在恒定電流模式下工作,向超級電容提供恒定電流,使得其電壓呈線性增加。在超級電容充電至目標電壓時,恒定電壓回路激活并準確地控制超級電容充電電平,使之保持恒定,以避免過度充電。同樣,該優先解決方案也提出了對電源管理功能的要求,需要在設計中加以考慮。

圖2.CICV超級電容充電控制
再以圖1為例,在48V主電源、25V超級電容組電壓以及3.3V、5V、12V等負載電壓的情況下,為SW1和SW2選擇同步降壓功能是合適的。由于主要挑戰與超級電容充電有關,所以針對SW1的選擇非常重要。針對SW1的理想解決方案對電源管理功能的要求是能夠在高輸入(48V)和輸出(25V)電壓下工作,同時提供CICV調制功能。
[page]
超級電容充電器解決方案范例
為說明超級電容充電行為,我們以同步降壓穩壓器為例。說明其關鍵問題和解決技術,并使用實驗波形來幫助理解。

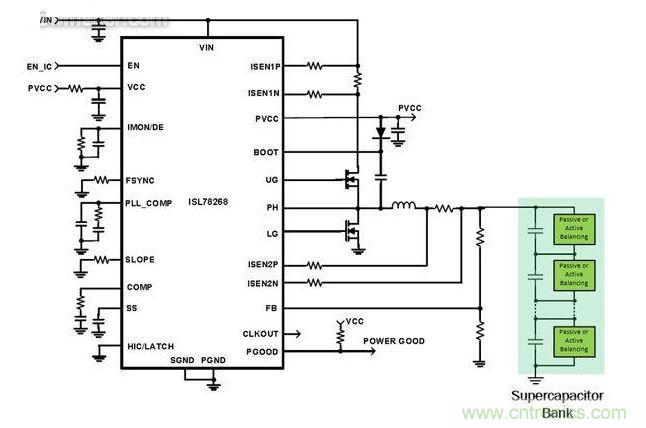
圖3.實現CICV超級電容充電控制的同步降壓穩壓器簡化原理圖
圖3顯示了用Intersil的ISL78268控制的實現CICV模式的同步降壓穩壓器的簡化原理圖。為了在CICV控制下將超級電容組充電到25V,在選擇控制器時考慮了以下功能:
1. 能在VIN>= 48V和VOUT>= 25V條件下工作的同步降壓控制器。
2. 恒定電流和恒定電壓調節能力,可自動切換調節模式。
3. 在系統供電電壓范圍實現準確的電流感測輸入以實現CI模式。參考圖3,控制器可感測電感器的連續電流,即充電電流。控制器的電流感測放大器必須能夠承受共模電壓,在本例中為25V。
圖4顯示了ISL78268同步降壓控制器的一小部分功能框圖。如圖所示,有兩個獨立的誤差放大器,分別標記為Gm1和Gm2,用于實現恒定電壓(Gm1)和恒定電流(Gm2)。
誤差放大器Gm1用于CV閉環控制。它比較FB的反饋電壓與內部1.6V參考電壓,并在COMP引腳產生誤差電壓。FB引腳從輸出電壓連接至一個電阻分壓器,并設置為當輸出電壓為預期電壓水平時FB電壓為1.6V。于是COMP電壓即代表預期輸出電壓與實際輸出電壓之差。然后比較COMP與電感電流相比較,以生成PWM信號,來控制輸出電壓,使之保持恒定。
誤差放大器Gm2用于CI閉環控制。它比較IMON/DE引腳電壓與內部1.6V參考電壓,并在COMP引腳產生誤差電壓。IMON/DE引腳電壓是內部產生的,代表平均輸出電感電流負載值。因此,COMP電壓在Gm2回路激活時(Gm1和Gm2的輸出之間的二極管有效地選擇哪個回路是激活的)代表預期輸出電流與實際輸出電流之差。然后COMP與電感電流相比較,以生成PWM信號,來控制輸出電壓,使之保持恒定。
在超級電容電壓達到目標電壓之前的充電階段,由Gm2的輸出來驅動COMP引腳,產生PWM輸出,以實現CI控制。當超級電容電壓達到目標值時,充電電流減小,引起IMON/DE引腳電壓降低和CI回路斷開(當IMON/DE<1.6V時),于是CV回路自然地接管對COMP的控制,從而保持輸出電壓恒定。
[page]
ISL78268降壓控制器既有峰值電流模式的PWM控制器(可靠的逐周期峰值電流調制器),也有非常適用于超級電容充電的外部恒定平均電流回路。

圖4.ISL78268 CICV回路簡化框圖
現在,我們可以重點介紹已實現的超級電容充電實現方案。圖5、6和7顯示了由ISL78268控制,來為超級電容組(12節50F/2.7V串聯電容)充電的同步降壓控制器的實驗波形。超級電容將通過主電源充電至25V。

圖5.超級電容充電的實驗波形
圖5顯示超級電容充電有多個階段。開始時,在第1階段,Vo幾乎為0。ISL78268的IMON/DE引腳上的平均電流信號還未達到1.6V(期望充電電流的參考值),所以CI回路還未接通(engage)。在此階段,電感器的峰值電流被逐周期限制于固定的OC閾值。在VOUT處于低水平(FB<0.4V)的充電階段開始時,開關頻率最大值被限制在50kHz,以預防所提到的因為低VOUT時的峰值電流限制而引起的電感器失控問題。
[page]
圖6顯示了第1階段的波形的放大圖。第2階段從IMON/DE引腳電壓(黃色跡線)達到1.6V時開始。在此階段,CI回路接通并拉低COMP信號(青色跡線),從而開始穩定輸出電流并使IMON/DE引腳電壓保持恒定。IMON/DE引腳電壓代表所感測的平均輸出電流信號。IL波形(綠色跡線)顯示平均電流在第2階段被控制為恒定水平。輸出電壓波形(粉色跡線)顯示超級電容被恒定充電電流以線性方式充電。

圖6.超級電容充電第1階段的實驗波形放大
第3階段從FB引腳檢測到0.4V電壓開始(圖7)。該觸發之后恒定電流穩定回路將完全接通,所以開關頻率可自動調節至預編程的300kHz。在更高的開關頻率下,電感電流紋波(綠色跡線)顯著減小。輸出電壓(粉色跡線)繼續呈線性增加,表示超級電容被線性充電。

圖7.超級電容充電的實驗波形
回到圖5,第3階段一直到Vo達到25V的目標電壓時結束。此時,CV回路接通并穩定輸出電壓。平均電流回路斷開。圖5顯示輸出電壓(粉色跡線)趨平且電感電流降低。代表平均充電電流的IMON/DE引腳電流也下降,表示恒定電流穩定過程結束。
結束語
超級電容由于其固有物理特征對比傳統電池具有的優勢在汽車、工業和消費產品中被用作能量存儲解決方案。為使超級電容組的可存儲能量最大化,最佳方案常常是串聯多個超級電容單元來實現高電容組電壓。充電時,最好使用CICV方法來限制由于超級電容充電到恒定電壓期間的低ESR而產生的高電流。恒定電流還可以使充電損耗可控制,這可以減少所生成的熱量并延長超級電容的壽命。因此,讓充電電路容忍高電壓并提供CICV控制功能是有益的。



