【導讀】小編今天給大家談談什么是電動汽車動力系統。故名思議,就是通過外部動力實現電動汽車驅動駕駛、提供持續不斷動力源的動力系統。在了解動力系統之前,我們先來了解下電動汽車。
什么是電動汽車?
根據百度百科上的說法,電動汽車(也稱BEV)是指以車載電源為動力,用電機驅動車輪行駛,符合道路交通、安全法規各項要求的車輛。由于對環境影響相對傳統汽車較小,其前景被廣泛看好,但當前技術尚不成熟。
電動汽車的分類
目前,我們看到的電動汽車主要分為三種,一種是純電動車(BEV),完全由電機驅動的電動車;另外一種是混合電動汽車(也叫做復合電動汽車PHEV),一般指的是用油和電提供電動汽車動力源(即采用傳統內燃機和電動機兩者作為動力,可分開時間使用)的電動車;最后一種是燃料電池汽車(FCEV),采用的是氫氧混合燃料提供動力源,通常幾分鐘時間就可以“充滿電”,因為補充的燃料是氫氣,結合大氣中的氧氣化學作用產生動能,提供的是一種非常低碳環保的動力源。
電動汽車廠商
電動汽車廠商非常多,電動車應用領域也非常的廣泛,目前比較著名的電動車廠商主要有特斯拉、比亞迪、豐田、日產、奇瑞、雪佛蘭、本田、寶馬、三菱、雷克薩斯等等。
特斯拉作為美國專注于電動車和能源公司,從08年推出首款Roadster運動跑車以來,在電動車領域發展一直處于業界領先地位,分別推出了Model S標準純電動車、Model X豪華電動超跑、以及即將上市的 Model 3 ,在電動車自動輔助駕駛技術更是領先一步。
互聯網造車熱潮同樣也帶領電動汽車發展走向新高潮,今年1月初,法拉第FF與戰略合作伙伴樂視正式推出首款量產車曝光,36小時全球預定量就達到了64124臺。格力集團董明珠近期收購珠海銀隆新能源,正式進軍互聯網汽車,奔向的目標也是干凈、純潔環保的電動車方向,解決的不僅是電動車動力問題,還有就是電動車儲能的問題。
電動汽車動力系統及其工作原理
下面正式進入正題,什么是電動汽車動力系統?在這里我們首先以典型的純電動汽車動力系統解析:
電動汽車動力系統基本構成如下圖所示,電力驅動子系統又由電控單元、控制器、電動機、機械傳動裝置和驅動車輪組成。主能源子系統由主能源、能量管理系統和充電系統構成。輔助控制子系統具有動力轉向、溫度控制和輔助動力供給等功能。

電力驅動及控制系統是電動汽車的核心,也是區別于內燃機汽車的最大不同點。電力驅動及控制系統由驅動電動機、電源和電動機控制裝置等組成。電動汽車的其他裝置基本與內燃機汽車相同。
純電動汽車動力系統工作過程:
動力系統的工作過程是,根據從制動踏板和加速踏板輸入的信號,電子控制器發出相應的控制指令來控制電動機,調節電動機和電源之間的功率流。輔助動力供給系統主要給動力轉向、空調、制動及其他輔助裝置提供動力。除了從制動踏板和加速踏板給電動汽車輸入信號外,轉向盤輸入也是一個很重要的輸入信號,動力轉向系統根據轉向盤的角位置來決定汽車靈活地轉向。
下面再來簡單介紹下混合電動汽車動力系統:
根據目前市面上的混合動力電動車的驅動結構,主要可以分為三大類:串聯式、并聯式和混聯式。
(1) 串聯式混合動力電動汽車
其結構原理圖如下所示:

串聯式混合動力電動汽車由發動機、發電機和驅動電動機三大主要部件總成組成。發動機僅僅用于發電,發電機所發出的電能供給電動機,電動機驅動汽車行駛。發電機發出的部分電能向電池充電,延長混合動力電動汽車的行駛里程。另外電池還可以單獨向電動機提供電能來驅動電動汽車,使混合動力電動汽車在零污染狀態下行駛。
(2) 并聯式混合動力電動汽車
其結構原理圖如下所示:

并聯式混合動力電動汽車主要由發動機、電動/發電機兩大部件總成組成,有多種組合形式,可以根據使用要求選用。兩大動力總成的功率可以互相疊加,發動機功率和電動/發電機功率約為電動汽車所需最大驅動功率的o.5~1倍,因此可以采用小功率的發動機與電動/發電機,使得整個動力系統的裝配尺寸、質量都較小,造價也更低,行程也可以比串聯式混合動力電動汽車的長一些,其特點更加趨近于內燃機汽車。并聯式混合動力驅動系統通常被2-9a在小型混合動力電動汽車上。
(3) 混聯式混合動力電動汽車
其結構原理圖如下所示:

混聯式混合動力電動汽車綜合了串聯式和并聯式混合動力電動汽車的結構組成,主要由發動機、發電機和驅動電動機三大動力總成組成。發動機基本保持穩運高效、節能的運轉,發電機和電池供給驅動電動機電能以驅動電動汽車行駛。
下面介紹幾種電動汽車動力系統解決方案:
電動汽車以鋰電池作為主要動力驅動,以其高能量密度優勢、動力性能穩定為首要條件。電池管理系統BMS的重要同樣不言而喻。BMS是動力電池組的核心技術,也是電動車整車的關鍵環節。
目前電池管理系統有兩種管理模式,分別為主動式均衡和被動式均衡兩種管理模式。
兩種管理模式各有優缺點,所采用的方式普遍為采集單體電池電壓,串聯電流,以及溫度以及電池組的電壓,然后將這些信號傳給運算模塊進行處理發出指令,最后將整個處理的信息指令通過CAN通訊系統傳送給汽車中央控制單元或整車VMS系統。
(一) ADI全隔離式鋰離子電池監控和保護系統
1.方案特點
鋰離子電池組包含大量的電池單元,必須正確監控才能提高電池效率,延長電池壽命確保安全性。方案中的 6 通道 AD7280A 器件充當主監控器,向系統演示平臺評估板提供精確的電壓測量數據,而 6 通道 AD8280 器件充當副監控器和保護系統。
AD8280 是一款用于鋰離子電池組的純硬連線安全監控器,配合 AD7280A 使用時,可提供具有可調閾值檢測和共用或單獨報警輸出的低成本、冗余、備用電池監控器。它具有自測功能,因此適合混合動力電動汽車等高可靠性應用或者不間斷電源等高壓工業應用。AD7280A 和 AD8280 均從監控的電池單元獲得電源。
ADuM5404集成一個DC-DC轉換器,用于向ADuM1201和ADuM1401隔離器的高壓端供電,以及向AD7280ASPI接口提供VDRIVE電源。這些4通道、磁性隔離電路是安全、可靠、易用的光耦合器替代解決方案。
2. 方案框圖

3. 芯片參數
3.1 ADI AD7280A 參數
- 單顆處理 4-6 s 前端
- 12 Bit ADC 采樣,平均每通道采樣時間1 us
- 能夠對6個通道的電壓和溫度進行監測,典型
- 精度達±1.6 mV (典型值)
- 多個 AD7280A 可采用菊花鏈連接,單個電路
- 板最多可監控 48 個電池單元,轉換只需7 μs
- 提供被動式電池單元平衡控制功能
- 轉換模式下功耗小于6 mA
- 斷電模式下功耗小于1.8 uA
- SPI 通信提供CRC 校驗保證數據的可靠性
3.2 ADI AD8280 參數
- 電壓范圍:6.0 V–30 V
- 多路輸入可監控 3-6 路電池電壓和 2 個溫度
- 可調監控閥值:過壓、欠壓、過溫
- 報警選項:單獨或者共用報警
- 可通過菊花鏈方式連接
(二) 英飛凌AUDO MAX產品系列
目前,基于高性能微控制器的高效FOC系統,為電動汽車和混合動力汽車驅動提供安全高效的解決方案創造了條件。
圖1:運行于FOC模式的32位TriCore微控制器
英飛凌AUDO MAX系列非常適用于電機的控制。TriCore架構和MC-ISAR eMotor驅動程序可采用高級控制策略控制多臺三相電機,包括無刷直流電機(BLDC)塊交換(block commutation,BC)及永磁同步電機(PMSM)磁場定向控制(FOC)。單一微控制器甚至還能同時支持BLDC和PMSM電機控制。相比于其他類型的電機而言,采用FOC控制的PMSM電機能效更高、磨損更小,并且可以實現精確控制和定位。特別是,這種電機支持線性轉矩控制,為將其用于混合電動汽車動力總成系統奠定了基礎。

圖2:電機控制中的電流控制環
圖2顯示了MC-ISAR eMotor驅動程序的電流控制環路,右側為復雜設備驅動(CDD)。這個時間關鍵型電流控制環路在中斷上下文中進行處理,處理時間不超過50微秒。左側是附加的用于位置和轉速控制的軟件成分(SWC),由應用程序提供。
英飛凌AUDO MAX系列和MC-ISAR eMotor驅動,可并行控制多達4臺PMSM或BLDC電機,同時還能滿足應用任務控制所需的性能。MC-ISAR eMotor和標準AUTOSAR MCAL驅動由同一配置工具整合,因此,用戶可在同一界面中為AUTOSAR MCAL和MC-ISAR eMotor驅動配置微控制器資源,為無縫配置不同軟件模塊創造了條件。汽車ECU開發人員可專注于電機的應用相關控制,而無需改編電機的控制算法。為降低系統成本,AUDO MAX系列還支持直接旋轉變壓器模式,免除了加裝旋轉變壓器IC的需要。AUDO MAX系列和MC-ISAR eMotor驅動被設計用于支持安全應用。
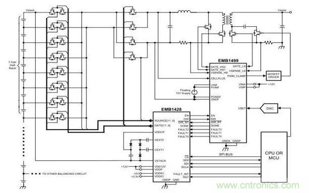
(三) TI推出電池主動式均衡負載技術
1.方案特點
TI推薦電動車所采用的主動均衡方式:每個電池芯藉由矩陣開關控制變壓器與充電線路的組合,形成一個有調整功能的電壓/電流蓄水池的功能,當電池芯由于多次充放電后產生不一致性而導致整組電池充放電容量下降,可藉由后端連接蓄水池的線路做調整,充電時不會因為監控到某個電池芯內壓過高而停止充電,放電時也可以完全的100%的釋放能源,進而延長電動車的行駛距離。
TI在隔離式DC-DC主動均衡技術的能源轉換效率高達87%。像EM1410芯片組由5顆核心芯片加上5顆電源供應芯片所組成,其中最主要的 EMB1432為十四信道AFE芯片、EMB1428為七信道閘控制器芯片,與EMB1499為七信道電壓控制芯片等,來建構十四通道雙向主動式電池芯均衡功能,串聯14顆電池芯與最高60V工作電壓,提供5V雙向均衡電壓與最大750V堆棧輸出電壓能力,并滿足AECQ-100車用電子驗證標準。

2.芯片參數:
2.1 EMB1432Q
- 單顆處理 14S前端模擬
- 最高輸入耐壓60V
- 輸出電壓誤差為+/- 1mV
- SPI 通訊支持1MHz
- 符合ACE-Q100汽車規范
2.2 EMB1428Q
- 最高輸入耐壓60V
- SPI 通訊支持1MHz
- 最低待機功耗(《100uA)
- 符合ACE-Q100汽車規范
2.3 EMB1499Q
- 最高輸入耐壓60V
- SPI 通訊支持1MHz
- 最低待機功耗(《30uA)
- 符合ACE-Q100汽車規范




