【導讀】充電時間是消費者和企業評估購買電動汽車 (EV)的一個主要考慮因素。為了縮短充電時間,業界正轉向采用直流充電樁 (DCFC) 。DCFC 繞過電動汽車的車載充電器,直接向電池提供更高的功率,從而大大縮短充電時間。
充電時間是消費者和企業評估購買電動汽車 (EV)的一個主要考慮因素。為了縮短充電時間,業界正轉向采用直流充電樁 (DCFC) 。DCFC 繞過電動汽車的車載充電器,直接向電池提供更高的功率,從而大大縮短充電時間。
為了實現更快的充電速度、適配更高的電動汽車電池電壓并提高整體能效,DCFC 必須在更高的電壓和功率水平下運行。這給 OEM 帶來了挑戰,必須設計出一種能夠優化效率,同時不影響可靠性和安全性的架構。
DCFC 集成了多種器件,包括用于輔助電源、感測、電源管理、連接和通信的器件。另外,為了滿足各種電動汽車不斷發展的充電需求,必須采用靈活的制造方法,這也使設計變得更加復雜。
圖 1. DCFC 中的主要模塊概覽
快速和超快速充電
圖 2 顯示了交流充電和直流充電之間的差異。對于交流充電(圖 2 左側),車載充電器 (OBC) 插入標準交流插座。OBC 將交流電轉換為適當的直流電為電池充電。對于直流充電(圖 2 右側),充電樁直接給電池充電。
圖 2.交流充電和直流充電概念圖。資料來源:Yolé Development
目前電動汽車的 OBC 依賴交流充電,最大額定功率為 22 kW。直流充電繞過了 OBC,直接向電池輸送直流電,因此能提供高得多的功率,從 50 kW 到 400 kW 以上甚至更高。
由于這個原因,DCFC 常被稱為“快速”或“超快速”充電樁。如此高的充電速度和更大的便利性為電動汽車帶來了更多的應用和用例。例如,電動汽車如果需要八小時才能充滿電,是不適合長途駕駛的,但借助超快速充電樁,電動汽車可以在短暫的休息時間內大量充電,增加車輛的續航里程,使其更加適合日常使用。因此,從現在到 2030 年,快速直流充電樁的復合年增長率預計將超過 30%(來源:Yolé Development)。
碳化硅 (SiC) 和功率集成模塊 (PIM) 技術的進步,是促進向更快速充電轉變的關鍵驅動力。SiC 使 DCFC 能夠以更高的頻率運行(因而效率也更高),同時以更快的速度提供更多功率。PIM 使 OEM 能夠快速將先進的技術集成到緊湊、輕便的設備中,并實現出色的熱管理、可靠性和可制造性,從而加快 SiC 技術的普及。
DCFC 剖析
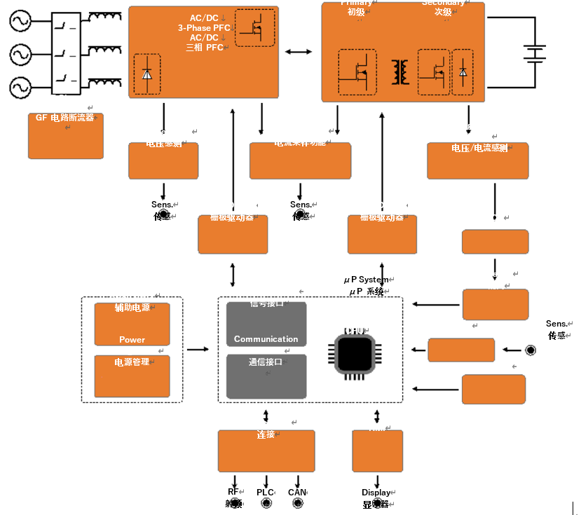
如圖 3 所示,直流充電樁主要包括兩級:AC-DC 級和后續 DC-DC 級。AC-DC 級將來自電網的交流電轉換為直流電,而第二級確保以適合電池所需的電壓和電流水平提供功率。
AC/DC |
圖 3. DCFC 的架構
對于商業應用,3 級充電樁需要使用三相電源(圖 4),可以在短短 30 分鐘內增加 100 多英里的續航里程。在將電動汽車技術引入運輸和物流等應用方面,這些超快速充電樁將發揮重要作用。
圖 4. 單相電網的功率流(左),三相電網的功率流(右)
圖 5. 快速直流充電樁的架構
3 級 DCFC 的前端由三相功率因數校正 (PFC) 升壓級組成,可以是單向或雙向;升壓級可以采用各種拓撲(二電平或三電平)實現。PFC 級接受電網電壓(400 EU、480 US),并將其升壓至 700 至 1000 V。對于下一代充電樁,業界已經瞄準了更高電壓。
在升壓級之后,DC?DC 隔離級將總線電壓轉換為所需的輸出電壓。此電壓需要與電動汽車電池的充電曲線保持一致。因此,DC-DC 輸出可能需要在 150 V 至 1500 V 之間擺動,具體電壓取決于電池和所處的充電階段。轉換器通常針對特定電壓水平(常見為 400 V 或 800 V)進行優化。為了實現更高的功率水平,DCFC 會將多個功率模塊(圖 6)堆疊起來并聯運行。
為了在此類高電壓下實現更高的效率,業界正從分立式、IGBT 和混合方案轉向 SiC 功率集成模塊 (PIM)。(圖 7)除 PIM 之外,DCFC 還需要多種功率器件,包括柵極驅動器 IC、數字隔離器、電源 IC(LDO、SMPS 等)和電流檢測。
圖 6. 300 kW DCFC 中的 12 x 25 kW 構建模塊
圖 7. 機電設計比較
通信和連接也是 DCFC 設計的關鍵方面。堆疊的模塊需要能夠與充電樁控制器通信,車輛和充電樁必須就充電序列進行通信(CAN 或 PLC)。獨立的快速直流充電樁還需要能夠處理充電相關的支付。最后,充電樁需要管理自身的維護、軟件升級等(例如通過藍牙低功耗、Wi-Fi 4、LTE)。實際標準由所使用的直流充電協議規定,例如 IEC?61851 / SAE1772、GB/T、CHAdeMO、組合充電系統 (CCS) 或特斯拉超級充電樁(圖 8)。
連接器類型
圖 8. 交流和直流快速充電樁的架構
DCFC 關鍵設計考慮因素
設計 DCFC 時,有多個關鍵因素需要考慮,這些因素會影響架構設計和器件選擇:
目標效率:
確定應優化效率的電壓和功率范圍。充電樁在充電期間在不同的電平運行,因此系統應針對對電力傳輸效率影響最大的電平進行優化。
分立式設計還是功率集成模塊 (PIM):
分立式設計的靈活性更大,但開發過程也更復雜(圖 7)。對于許多應用而言,模塊在效率方面的諸多優勢是分立式設計難以企及的。例如,模塊將多個功率器件集成在單個緊湊的封裝中,簡化了機械組裝,優化了熱管理,提高了可靠性,并減少了電壓尖峰和高頻 EMI。
架構/拓撲結構:
所選擇的拓撲結構(即二電平還是三電平)以及充電樁需要單向運行還是雙向運行,都會影響器件的選擇。實現直流充電樁 PFC 和 DC-DC 級的拓撲結構選項有許多。由于功率和電壓水平非常高,許多 OEM 的首選架構一般是三級功率因數校正 (PFC)。PFC 設計最常用的拓撲結構有三開關 Vienna(單向)、NPC、A-NPC、T-NPC(雙向替換二極管)和六開關(雙向) 。DC?DC 級通常以全橋或相移 LLC 及其變體實現,并采用雙有源橋 (DAB) 架構支持雙向拓撲結構。這些拓撲結構包括二電平和三電平系統,它們分別采用 600 至 650 V 或 900 至 1200 V 開關和二極管。(進一步了解拓撲結構:快速直流電動汽車充電:系統中使用的常見拓撲和功率器件)
約束條件:
應注意物理系統約束,包括尺寸、重量、成本和其他需要考慮的限制因素。例如,如果尺寸和重量很重要,那么選擇基于 SiC 的模塊將能降低總體布線要求,減小系統尺寸,并減輕車重。
熱管理:
管理散熱對于維持效率、可靠性和系統使用壽命至關重要。使用 SiC 器件以更高頻率運行,可以提高功率密度,提升效率,并減少需要管理的熱量。此外,許多模塊還針對使用極低熱阻材料的熱傳遞進行了優化。
仿真模型:
擁有器件和模塊的精確模型可以大大簡化和加速設計過程,尤其是在權衡多種設計方案時。
通信:
明確特定應用需要哪些標準和協議。確保所選的供應商和產品系列支持所有可能需要納入的標準,以支持當今和未來的電動汽車。
保護:
根據法規要求,必須配備接地故障斷路 (GFI) 功能。其他功能(如浪涌電流和過壓保護)也至關重要。系統中如何集成這些功能(即單獨的電路、功率級的一部分、集成在模塊上等),將會影響對其他系統約束條件的優化。
先進的充電架構
理想情況下,電動汽車在非高峰時段充電。這會大大降低電力成本,并減少高峰時段電網的負荷,避免造成停電。
為了實現這一目標,直流充電樁需要與儲能系統 (ESS) 和太陽能發電系統集成。ESS 在非高峰時段充電,儲存電力以供白天使用。通過安裝太陽能電池板以在白天發電,可以減少對 ESS 電力的消耗,從而減輕 ESS 的負荷。在這種配置中,DC/DC 轉換器可以連接到高壓總線來為電動汽車充電。
圖 9. 由可再生太陽能電池板和儲能設施供電的快速超級充電樁
安森美(onsemi)致力于在供應鏈的所有層面實現可持續發展。對于希望采用此類先進架構的 OEM,安森美可以幫助他們以高效、安全、可靠、可持續的方式集成合適的技術。
快速和超快速直流充電是電動汽車的未來。快速直流充電樁能夠將充電時間縮短至不到一小時,這將為電動汽車開辟一系列全新的應用領域和使用場景。
總結
通過了解影響器件選擇的關鍵設計考慮因素,工程師可以優化大功率直流充電樁架構,實現更高的效率、可靠性和性能。隨著碳化硅和功率集成模塊等技術的進步,工程師可以更快速地評估和設計復雜系統,而無需作出妥協。由此,OEM 可以迅速且經濟高效地滿足市場的充電需求。而且,OEM 可以與合適的合作伙伴合作,通過集成儲能系統等新技術來創建更具可持續性的基礎設施,從而不斷提升產品的質量和實用性。
雖然 IGBT 和混合實現方案仍在使用,但基于 SiC 的功率模塊正迅速成為 DCFC 充電應用的首選方案。安森美提供專用于 DCFC 的現成 PIM 系列,其具有 EliteSiC 900 V 和 1200 V 擊穿電壓額定值。這些模塊支持半橋和全橋拓撲結構,采用 F1 和 F2 封裝,具有極低的 RDSons(3 至 40 mΩ,具體取決于配置)。此外,安森美正在開發多種使用 M3S 技術平臺的新的 SiC PIM 產品,以進一步為設計人員的系統設計提供更大的靈活性。
安森美還提供豐富的參考設計和硬件,配備專門的專家應用團隊,為全球電動汽車充電系統設計提供 SiC 驅動器優化和系統方案專業知識,讓設計人員可以快速評估驅動器并加速應用開發。
免責聲明:本文為轉載文章,轉載此文目的在于傳遞更多信息,版權歸原作者所有。本文所用視頻、圖片、文字如涉及作品版權問題,請聯系小編進行處理。
推薦閱讀:





