【導讀】親愛的,我的充電器在哪里?就目前而言,這可能是生活中最常見的問題了。世紀之交,電池(尤其是基于鋰離子的電池)成本的降低和性能的提高,推動了電池供電的儲能和便攜式設備的穩步增長。此外,超級電容器由于具有獨特的性質,也越來越多地用于各種應用。
鉛酸電池是一項已有150年歷史的技術,至今仍廣泛用于汽車、輪椅、踏板車、高爾夫球車和不間斷電源(UPS)系統。一旦能量耗盡,這些儲能設備必須重新充電。2019年,全球充電IC出貨量為11.6億顆,預計2024年將增長至17.2億顆,年增長率為 8.6%,相當健康。收入分別為5181億美元和7354億美元,復合年增長率為7.3%。圖1顯示了這一趨勢,其來自OMDIA的“電源IC市場跟蹤 - 2019年”。

圖1.全球充電IC市場
對更多電力、更長續航里程或運行時間的需求,要求提高儲能設備使用的電壓。例如,機器人、無人機、電動工具和許多其他事物中使用的鋰離子電池堆已經從一兩個電池單元增加到多個(最多12個)電池單元。一個12芯鋰離子電池堆可提供最大50.4 V的電壓。在相同電流額定值下,12芯電池的續航時間是1芯電池的12倍。或者,可以將12節電池并聯以獲得更高的功率,但這種方法會使電流增加12倍。更高的電流會導致更多的傳導損耗,因此不宜采用并聯電池。
帶備用電池的應急照明、UPS備用電源、HVAC等工業系統使用24 VDC電源,即使用24 V電池來為這些系統提供備用電源。然而,根據IEC 61131-2和IEC 60664-1標準,24 VDC電源在瞬態條件下可升至60 V峰值電壓。
在任何一種情況下,設備都要求充電器解決方案能夠適應更高電池電壓,并能承受瞬態事件期間的更高輸入電壓。
充電器有許多拓撲結構。線性充電器通過功率開關降低電源和電池之間的電壓差。此類充電器效率最低,因為當電源和電池之間的電壓差很大時,功率開關會消耗大量功率。升壓充電器將來自電源的電壓升壓到電池電壓。這種拓撲結構要求電源電壓低于電池電壓。降壓充電器對來自電源的電壓進行降壓,并要求電源電壓高于電池電壓。升壓-降壓充電器可以使用高于或低于電池電壓的電源電壓為電池充電。這種拓撲結構需要四個功率開關(降壓拓撲只需要兩個),而且效率一般不高。
同步整流降壓充電器效率最高,是本文的重點。圖2顯示了一個通用同步整流降壓充電器電路。如今,大多數降壓充電器都在相對較低的電壓下運行。許多充電器的額定輸入電壓僅為28 V,有些為40 V。如果允許±10%的輸入電壓調節和2 V的降壓充電器壓降,那么額定值28 V的充電器實際上只能為5S鋰離子電池堆(最大)充電。我們將研究一個新的60 V輸入充電器IC系列,它支持更高充電電壓——電池電壓高達52 V(或12芯鋰離子電池堆),并且可以承受65 V的輸入電壓瞬變。

圖2.通用同步整流降壓充電器
充電器的待機電流應很低以節省能源。Energy Star?規定待機功耗為30 mW或更少的手機充電器和其他小型充電器為五星。一星適用于待機功耗為300 mW或更高的充電器,其他星級適用于介于兩者之間的其他充電器。Energy Star旨在降低個人充電器的功耗,這些充電器在不使用時大多也不會拔下來。在任何特定時間,全球有超過10億個此類充電器連接到電網。
盡管鉛酸電池、鋰離子電池和超級電容器都是儲能設備,但它們的充電/放電特性明顯不同。我們將考察這些特性,并討論每個特性的充電解決方案。一個好的電池充電器可提供良好的電池性能和耐用性,尤其是在不利條件下充電時。
鉛酸電池是現存最古老的可充電電池,1859年由法國醫生Gaston Planté發明。一百五十年后,它仍然廣泛用于汽車、輪椅、踏板車、電動自行車、高爾夫球車和UPS系統。
鉛酸電池必須緩慢充電。典型充電時間為8到16小時。電池必須始終以充電狀態存儲,定期進行完全飽和充電對于防止硫酸鹽化至關重要。通常的做法是在大約8小時內將鉛酸電池充電至70%,然后再用8小時進行最重要的補足充電。如果鉛酸電池不時接受完全飽和充電以防止硫酸鹽化,則部分充電也沒問題。讓電池長時間處于浮動充電狀態不會造成損壞。
找到理想的充電電壓限值至關重要。高電壓(高于2.45 V/單元)可產生良好的電池性能,但由于正極板上的板柵腐蝕,電池使用壽命會縮短。低電壓限值會造成負極板硫酸鹽化。溫度也會影響電池電壓,溫度系數典型值為–5 mV/°C(每10°F每電池單元0.028 V)。好的充電器必須補償此溫度系數,以避免電池在高溫時過度充電或在低溫時充電不足。
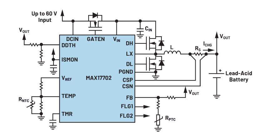
例如, MAX17702 (參見圖3)是一款完整的鉛酸電池充電器控制器,設計支持4.5 V至60 V的輸入電壓范圍。該器件提供高效率(超過97%)、高電壓、同步降壓解決方案,可為12 V/24 V/48 V鉛酸電池組充電。圖4a和4b顯示了其充電周期和充電效率。

圖3.高壓鉛酸電池充電器控制器

圖4a.MAX17702鉛酸充電周期

圖4b.MAX17702充電效率
鉛酸電池能量密度低,不適合便攜式設備。便攜式設備需要鋰電池。
由于重量輕和高能量密度,鋰離子電池是普遍接受的用于便攜式應用、重工業、電驅動和衛星的電池。
鋰離子電池的維護工作量很少。這種電池沒有記憶效應,不需要故意完全放電就能保持良好狀態。但它需要保護電路,電池堆內部和充電器均需要,以防止短路、過充、熱失控和過度放電。鋰離子電池如果在1.5 V/單元以下保持一周或更長時間,就可能產生枝狀晶體,影響安全性。
為防止過度放電,內置電池保護電路將電池置于睡眠狀態。當電池在放電狀態下儲存,自放電使電壓降至截止點時,就會發生上述情況。常規充電器將這樣的電池視為無法使用,電池包通常被丟棄。高級鋰離子充電器具有喚醒特性或“預充電”功能,可以對由于過度放電而進入睡眠狀態的鋰離子電池充電。在預充電模式中,充電器應用很小的充電電流以將電壓安全提升到2.2 V/單元與2.9 V/單元之間,從而激活保護電路,然后開始正常充電。
在正常充電期間,鋰離子充電器以恒流恒壓(CCCV)模式運行。充電電流是恒定的,電壓達到設定限值時便不再上升。達到電壓限值時,電池飽和,電流下降到電池不能再接受進一步的充電為止,此時充電終止。每個電池都有自己的低電流閾值。
鋰離子電池在充電時應始終保持涼爽。鋰離子電池不能吸收過多電荷。因此,監控電池溫度及其充電電壓以確保電池健康和安全非常重要。良好的充電器必須包含這些特性。
圖5給出了高級鋰離子電池充電器的例子。MAX17703 是一款高效率、高電壓、同步、降壓充電器控制器,設計支持4.5 V至60 V的寬輸入電壓范圍。該器件為最多12芯鋰離子電池堆提供了完整的充電解決方案。

圖5.高級高電壓鋰離子電池充電器電路
該器件分別為±4%和±1%時提供精確的CCCV充電電流/電壓。當充電電流減小到收尾電流閾值時,充電器進入補充充電狀態;收尾定時器周期結束后,充電器退出充電狀態。當輸出電壓低于充電閾值電壓時,充電器啟動充電周期。這是一個很棒的特性,可以讓長時間留在充電座上的電池保持滿電狀態,而不會消耗太多電力,并且符合Energy Star要求。該器件可以檢測和預處理深度放電電池,利用預充電特性將其喚醒。為了提供更多保護,該器件會檢測電池溫度,使得充電只能在規定溫度范圍內進行。它還有一個輸入短路保護特性,用于在輸入意外短路時防止電池放電。圖6顯示了MAX17703的充電周期。

圖6.MAX17703鋰離子電池充電周期
超級電容器相比電池有一些獨特的優勢,因此越來越多地用于各種應用。超級電容器依據靜電原理工作,沒有化學反應,避免了與電池化學存儲相關的壽命問題。其高耐用性允許數百萬次的充/放電循環,使用壽命長達20年,比電池高出一個數量級。其低阻抗支持快速充電和放電,幾秒鐘便可完成。另外,它還有適度的長時間保持電荷的能力,這一切使超級電容器非常適合需要快速充放電循環的應用。超級電容器還能與電池并聯使用,從而支持負載轉換期間需要瞬時峰值功率傳輸的應用。
超級電容器的快速充放電循環要求充電器能夠處理大電流,在充電過程中以恒流(CC)模式平穩工作,充電可能從0 V開始,一旦達到最終輸出值,則以恒壓(CV)模式工作。在高電壓應用中,許多超級電容器串聯在一起,需要充電器來管理高輸入和輸出電壓。
MAX17701 (參見圖7)是一款高效率、高電壓、同步、降壓超級電容充電器控制器,專為大電流充電而設計,可在4.5 V至60 V的輸入電壓范圍(VDCIN)內工作。輸出電壓可編程,范圍為1.25 V至(VDCIN–4 V)。該器件利用外部N-MOSFET提供輸入電源側“邏輯或”功能,防止超級電容器放電回到輸入端。圖8顯示了簡單但電流很高的充電曲線。

圖7.高電壓、大電流超級電容充電器

圖8.MAX17701超級電容充電曲線
電池供電的儲能和便攜式設備的使用穩步增長。對更多電力、更長續航里程或運行時間的需求,要求提高電池堆使用的電壓。在使用24 VDC電源的工業系統應用中,瞬態條件下可以看到60 V峰值電壓。傳統充電器解決方案大多以28 V輸入為限。得益于高電壓同步降壓充電拓撲結構,ADI公司的新型充電器解決方案可實現更高的電池堆電壓和充電效率。
鉛酸電池、鋰基電池和超級電容器都是儲能設備,具有非常不同的充電/放電特性,需要專用充電器才能獲得最優充電解決方案。高級電池充電器還提供充分的保護以保障電池性能和耐用性,尤其是在不利條件下充電時。這些在較新的充電器解決方案中也得到解決。
(來源:亞德諾半導體)
免責聲明:本文為轉載文章,轉載此文目的在于傳遞更多信息,版權歸原作者所有。本文所用視頻、圖片、文字如涉及作品版權問題,請聯系小編進行處理。
推薦閱讀:
實現機器人操作系統——ADI Trinamic電機控制器ROS1驅動程序簡介




