【導讀】在電動車發展的過程當中,充電和換電是兩個同時存在的方案。車載充電OBC可以通過兩相或三相電給汽車充電,但其無法滿足快充的需求。現在充電樁發展迅速,已經有600kW的超充出現,充電速度越來越逼近換電速度,但對電網壓力很大,還需要時間普及。
換電與充電并存
在電動車發展的過程當中,充電和換電是兩個同時存在的方案。車載充電OBC可以通過兩相或三相電給汽車充電,但其無法滿足快充的需求。現在充電樁發展迅速,已經有600kW的超充出現,充電速度越來越逼近換電速度,但對電網壓力很大,還需要時間普及。換電則采取另外的方式,古代加急文書傳遞時,士兵在驛站更換體力充沛的馬匹繼續前行就是這種理念。動力電池作為電動汽車當中最昂貴的部件,其可靠性至關重要,部分車主不太能接受隨意更換動力電池的方式。而接受換電方式的用戶則可以提前享受到接近油車加油時間的使用感受。相信兩個模式還會在一段時間內同時存在,直到極速充電得到普及。關于充電和換電的優缺點,一直是網上的爭論熱點。今天來談一談換電站中充電電路設計,以及安森美(onsemi)碳化硅模塊給電路設計帶來的優勢。
充電站電路結構
1.PFC
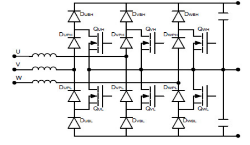
充電站中的充電電路部分功能與功率范圍和直流充電樁類似,作用是用電網交流電源給汽車電池充電,功率也同樣是超過OBC功率的大功率快速充電,通常大于50kW。其對接電網部分是三相有源功率因數校正電路,以下以PFC簡稱。PFC 可保持輸入電流和電壓之間的相位關系,并將線路/電網電流中的總諧波失真 (THD) 降至最低。現在新的設計越來越多的需要雙向工作的能力,實現能量在電池與電網間的雙向流動。目前流行的三相PFC線路有三種:6開關,T-NPC,I-NPC。
圖1 6開關三相PFC線路
圖2 T-NPC三相PFC線路
圖3 I-NPC三相PFC線路
6開關電路簡潔,直接支持雙向工作,但需要較高耐壓能力的功率器件。
T-NPC或I-NPC則可以選擇較低電壓的主動開關器件,但若要有雙向工作能力,則需要將圖中的部分二極管替換為主動開關器件MOS或IGBT。
在汽車相關的電路設計當中,可靠性至關重要。6開關三相PFC電路,擁有最簡潔的電路設計,如果是雙向的設計則更加明顯。在1200伏SIC MOSFET已經大批量應用在汽車電路設計的情況下,這種架構無疑是非常有吸引力的,特別是雙向設計中。充電站中的電路設計需要更多考慮效率,因其整個生命周期的電路運行時間很長,設計上以效率為優先可以節約更多電能降低電費。因此碳化硅器件是優先的選擇,尤其是對開關性能要求比較高的PFC部分。考慮到充電站的功率往往都比較大,單管并聯的方案面臨比較大的設計挑戰,其整體可靠性設計也相當困難。而模塊方案則簡化了整體的設計,可靠性優勢巨大。
圖 4 安森美碳化硅模塊
安森美的碳化硅模塊,擁有比較全的內阻檔位選擇,3mΩ-40mΩ內阻范圍適合不同功率的設計選取,采用半橋架構方便應用在PFC和DC-DC電路中。其出色的熱管理給用戶帶來出色的整體散熱性能,散熱部分自帶隔離特性大大方便設計與制造。相對于分立器件方案,整機可靠性大大提高,制造難度大大降低。
NXH003P120和NXH004P120是采用新一代M3S技術的領先產品,其極低的內阻和寄生參數,非常適合PFC部分需要,同時具有優秀的開關性能和低導通內阻。可以幫助用戶實現非并聯設計的更高功率輸出。
2. LLC和CLLC
PFC電路和電池之間是DC-DC部分,通常需要隔離。單向設計較多采用LLC諧振電源或移相全橋PSFB(Phase Shifted Full Bridge)。而雙向設計則更多采用 CLLC 或 DAB(dual active bridge)。今天以LLC和CLLC為例,談一談碳化硅模塊在充電站DC-DC電路中的應用優勢。
LLC電路性能在各方面都表現很好,尤其是在最佳工作點附近時,可以實現非常理想的工作狀態,進而得到很高的運行效率。LLC其本身就具有雙向工作能力(副邊采用主動整流器件如SIC MOSFET),只是反向工作時無法實現LLC方式工作,只能工作在較差的工作點(LC串聯諧振模式),整體效率較低。CLLC(副邊增加L2,C2)則可以兼顧正向與反向工作點設計。
圖5 雙向設計的CLLC 電路結構
充電站一般要求兼容800V和400V電池,DC-DC次級可以分成兩個線圈來通過串聯或并聯來對應800V或400V電池。這樣可以大大降低設計的負載電壓范圍,實現在更靠近理想工作點來工作,進而提升效率節約電費。
雖然LLC和CLLC是諧振電源,其對開關器件的開關性能要求沒有PFC級那樣嚴格,但SIC MOSFET依然有很大優勢。首先,電池的電壓在充電過程中一直在變動,LLC的原邊并非能一直在理想工作點附近工作,SIC MOSFET的開關能力依然有優勢。其次,整流一側的整流管要求好的開關性能,在充電器是雙向工作的電路設計中,原邊和副邊都會在某一個模式下當作整流管使用,單向設計中,副邊始終是整流模式。SIC MOSFET的體二極管擁有很好的開關性能,可以更好的勝任整流工作的需求,降低關斷時反向恢復電流帶來的影響。
圖6 M3S技術帶來的效率提升明顯
安森美的SIC MOSFET模塊,尤其是基于新一代M3S技術開發的NXH003P120和NXH004P120提供出色的內阻和開關特性,以及出色的體二極管開關特性,非常適合充電站DC-DC部分特別是雙向設計的電路。可以幫助用戶實現單模塊非并聯設計高功率輸出能力。
安森美EliteSiC模塊
總之,在高功率充電電路設計中,碳化硅技術可以帶來高效率的目標,節能的同時具有高可靠性(更高的耐溫特性)。碳化硅模塊則更加為設計和制造帶來方便,進一步提升產品的整體可靠性,在充電站這種高強度商業性應用場景,高效率和高可靠性更加重要。
圖7 采用1200V SIC MOSFET設計帶來的簡化
安森美擁有不同類型的碳化硅模塊產品,適應不同電路結構的設計,今天介紹的三相6開關PFC和LLC、CLLC結構非常適合采用1200V 半橋SIC MOSFET模塊。其提供簡單的電路結構,和天然的雙向工作能力,第三代M3S SIC MOSFET技術賦予其高效的性能。包括兩款(NXH003P120M3F2PTHG/NXH004P120M3F2PTHG),采用標準F2封裝,具有出色的Rds(on)。M3S技術專為高速開關應用而開發,在開關損耗、Coss和Eoss方面具有優異的品質。
另外安森美提供新的Elite Power仿真工具,通過創新的PLECS模型實現了技術突破,對于硬開關和軟開關應用(例如LLC和CLLC諧振、雙有源橋和移相全橋等)都適用。該工具能夠精確呈現電路在使用我們的EliteSiC產品系列時的工況。
下面是F2封裝的SIC MOSFET 模塊內部結構圖和外觀圖以及半橋類1200V SIC模塊的選型表。這些產品可以涵蓋25KW到100KW的功率范圍,提供簡潔的設計和高效率高可靠的快速充電整機性能。
圖8 SIC M3 MOS 模塊F2封裝半橋圖例
圖9 SICMOS半橋模塊選型
免責聲明:本文為轉載文章,轉載此文目的在于傳遞更多信息,版權歸原作者所有。本文所用視頻、圖片、文字如涉及作品版權問題,請聯系小編進行處理。
推薦閱讀:
ST 攜汽車、工業、個人電子和云基礎設施創新技術和方案亮相2024 年慕尼黑上海電子展






